新手上路实验
一、概述
使用的是Logisim的Ita版本,支持简体中文
二、案例
1. LED计数电路
首先连接好电路

之后对电路进行封装:

再用封装好的进行测试

2. 五输入编码器
在菜单「工程」中点击「分析组合逻辑电路」,之后就可以对输入输出、表达式、真值表等进行一定操作,使用表达式生成电路

同样进行封装

再用之前的电路进行测试,此处使用分线器将三个单独位的转成一个三位的二进制数,使用探针可以读取线路上的数据,可以用二进制、有/无符号十进制、十六进制等表示。

3. 七段数码管
采用真值表的方式创建电路

同样进行封装, 再进行测试,注意数码管的连接方式

数据表示实验
一、国际转区位码
区位码的十六进制表示+2020H=国标码
题目要求用加法器来实现,加法器需要转换成补码形式
区位码=国际码-2020H+FFFFH+00001H
区位码=国际码+DFE0H

二、偶检验
1. 偶检验编码
两两异或,实际上就是对全部的位进行异或,也可以只使用一个异或门

2. 偶检验检错
就直接用了一个异或门
右上角不用去管,用分线器把p1信号已经分走了

3. 测试
检错用于发送和接收双方之间,如果接受信号的发现有错误,就会提示发送方重新发送数据。
左边显示的是原来的数据,也就是发送方的数据。右边显示的就是接受方的数据,中间有一个干扰屏蔽字,是随机生成的。分别有三个提示信号
- 数据正确:干扰屏蔽字为00000,也就是没有错误
- 检错位:检查到了错误,由于偶检验只能检验出奇数个错误,偶数情况下检错位不会亮起
- 误报:针对的就是偶数位情况下的检错位无效,干扰前后两个信号是不同的,于是就误报了

三、海明码
校验位:P1、P2、P3、P4、P5
被检验的数据位:D1、D2、D3……D15、D16

| 检验位 | 被检验的数据位 |
|---|---|
| P1 | D1 D2 D4 D5 D7 D9 D11 D12 D14 D16 |
| P2 | D1 D3 D4 D6 D7 D10 D11 D13 D14 |
| P3 | D2 D3 D4 D8 D9 D10 D11 D15 D16 |
| P4 | D5 D6 D7 D8 D9 D10 D11 |
| P5 | D12 D13 D14 D15 D16 |
ALU实验
一、1位全加器
由半加器变化而来,两个加数与一个进位输入,输出和还有进位

二、8位串行进位可控加减法器
1. 8位加法器
首先来解决8位加法器的实现
OF溢出:针对带符号数,对最高数据位进位和符号位进位进行检测。
符号位产生进位为C0,最高位产生的进位为C1
逻辑表达式为:OF = C0⊕C1
异或门
| C0 | C1 | OF |
|---|---|---|
| 0 | 0 | 0 |
| 0 | 1 | 1 |
| 1 | 0 | 1 |
| 1 | 1 | 0 |

2. 8位可控加减法器
运算公式
- $[A + B]_补 = [A]_补 + [B]_补$
- $[A - B]_补 = [A]_补 + [-B]_补$
加减法统一采用加法来处理
实现减法的核心在于如何求 $[-B]_补$
$ [-B]_补 = \bar{B} + 1$
- +1只需要输入Cin
- 对Y进行取反,只需要一个异或门——sub为1时才对Y取反
| Y | Sub | res |
|---|---|---|
| 0 | 0 | 0 |
| 0 | 1 | 1 |
| 1 | 0 | 1 |
| 1 | 1 | 0 |

串行电路最大的问题是,进位按串行传递,速度慢,n位串行加法器从C0到Cn到延迟位2n级门延迟
三、并行进位加法器
如何产生先行进位?
1.CLA72182
基本原理
按照推导出来的公式构建如下的电路

2. 4位快速加法器
Gi = XiYi
Pi = Xi + Yi(逻辑上实现加法,10得1,01得1,00得0, 11得0,所以采用异或门)
3. 16位快速加法器

4. 32位快速加法器

单周期CPU
一、概述
参考文章:24条指令MIPS单周期CPU - 计算机系统硬件设计 - 知乎专栏
总体图采用华科老师的图,单周期也是最简单最基础的一个实现了,老师给的通路图是8条指令的实现,实际的电路多个几个指令。

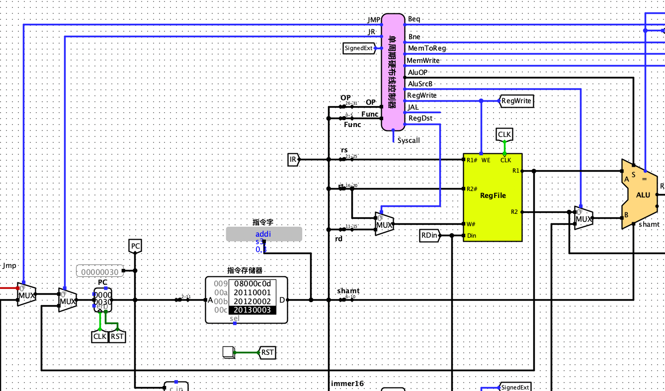
二、数据通路
一点一点开始连线
1. PC+4
使用ctrl+t后进行单步时钟测试,加法器进行加4

2. 连接指令存储器
如果直接连接指令存储器,会发现位宽不匹配,原因在于指令存储器为地址10位,数据位宽为32位的ROM,所以需要从PC里取出2-11位的数据,使用一个分线器即可。

此时可以进行测试,随着PC的运行,可以正常的取指令

3. 译码
即使用分线器,将指令的不同位连接到寄存器组、控制器和ALU上
3.1 R型指令
最简单的一个连线

3.2 I型指令
首先处理lw和sw指令,具体原理不再阐述,其中把复位键单独拿出来做成了一个Tunnel,之前的PC复位也改了一下,这样就可以一个按钮控制所有的复位。

接下去处理的是Beq、Bne指令的数据通路,需要增加分支
红线是因为还没有处理控制器

还需要考虑与立即数的加法,即对立即数进行零拓展

3.3 J型指令
Jmp、J、Jal(这部分老师没细讲,不太熟练)
Jmp连接的是控制器的Jmp指令,核心在于对26位立即数的处理上,26位立即数对应PC地址的2-27位,其余用0填充,实质上是左移了两位(?

之后实现JR,与JAL搭配使用,
R1出来的数据返回到PC中,与程序的调用函数有关,调用函数前必须先存储函数起始点的位置,R1读取的数据即31位寄存器内的地址

再之后是JAL,把当前的地址(PC已经加了4)写入寄存器中,1f即31号寄存器

此时有红线很正常,因为没有设计控制信号
4. 补充
一开始设计的时候只考虑了基础的指令,而这个对应的是24条指令的电路,所以需要一些额外的设计
添加Syscall指令对应的电路

对应的Syscall隧道,计算得到Halt停机指令和LedOut指令

给PC添加停机

产生Led的信号

控制总周期数

5. 完成

三、控制器
根据实验给的文件“单周期硬布线控制器表达式自动生成”,通过运算器规格和控制信号产生条件填写真值表
- ADD 加法
- ADDI 立即数加
- ADDIU 无符号数立即数加
- ADDU 无符号数加
- AND 与
- ANDI 立即数与
- SLL 逻辑左移
- SRA 算术右移
- SRL 算术右移
- SUB 减
- OR 或
- ORI 立即数或
- NOR 或非
- LW 加载字
- SW 储存字
- BEQ 相等跳转
- BNE 不相等跳转
- SLT 小于置数
- STI 小于立即数置数
- SLTU 小于无符号数置数
- J 无条件转移
- JAL 转移并链接
- JR 转移到指定寄存器中 If $v0==10 halt(停机指令)else 数码管显示$a0值
- SYSCALL 系统调用 If $v0==10 halt(停机指令)else 数码管显示$a0值


得到真值表

得到的逻辑表达式,复制到工程的分析组合逻辑电路里,就可以自动生成电路了

将生成的两个组合起来,就完成了硬布线设计(已经连好线了
此时发现有蓝线的出现,说明还有问题存在,接下去就是找bug环节

四、测试
右击指令存储器编辑内容,打开.hex文件,之后进行测试